1. En una red eléctrica de CA se dispone de un frecuencímetro y de un voltímetro para CA que, al realizar una medida, arrojan los siguientes resultados: f = 100 Hz, V = 380 v. Averiguar el valor máximo de la tensión, el período, la pulsación de la corriente y el valor instantáneo para t = 5 ms.

2. Al medir con un osciloscopio una tensión alterna, obtenemos la señal que se indica en la figura, estando el atenuador vertical en 10 v/div y la base de tiempos en 5 ms/div, determinar el valor máximo, el valor eficaz, el período, la frecuencia y el valor instantáneo a los 5 ms.

3. Una espira gira a 1500 rev/min en el seno del campo magnético formado por un par de polos. ¿Cuál será la velocidad angular, la frecuencia y el período?
4. Si una tensión senoidal posee un valor de 90 voltios a los 30º del ciclo, encuéntrese el valor eficaz de la misma.
5. Un horno eléctrico consume 5A al conectarlo a un tensión de 200 voltios de C.C. ¿Cuál es el valor máximo de la corriente y la tensión en C.A. para que se produzca el mismo calor?
6. Al conectar un osciloscopio a una fuente de tensión senoidal, aparece en su pantalla la imagen de la figura. Averiguar la lectura de los siguientes aparatos de medida conectados a la misma fuente:
a. Un voltímetro de C.A.
b. Un voltímetro de C.C.
c. Un frecuencímetro.

7. Se aplica una tensión alterna senoidal a una resistencia de 100 W. Se toma la medida de tensión de 220 voltios mediante un voltímetro. Averiguar la lectura del amperímetro y la del vatímetro. Dibujar el diagrama vectorial de V e I.

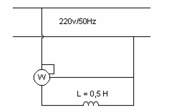
8. La bobina de la figura posee un coeficiente de autoinducción de 0,5 Henrios. Determinar la intensidad de corriente por la misma cuando se la conecta a una red de c.a. de 50 Hz a 220 v y el diagrama vectorial. ¿Cuál es la lectura del vatímetro?

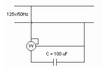
9. Un condensador de 100 mF se conecta a una red de C.A. de 50Hz a 125 v. Averiguar la reactancia capacitiva, la intensidad de corriente y la lectura del vatímetro. Dibujar el diagrama vectorial de V y de I.

10. Se conecta en serie una resistencia de 50 W con una bobina de L = 50 mH a una fuente de tensión alterna senoidal de 220 voltios y 100 Hz. Determinar los valores de Z, I, φ, VR y VL. Dibujar el diagrama vectorial de V e I.

11. Averiguar los valores de Z, I, VR, VC, φ del circuito de la figura. Dibujar el diagrama vectorial.

12. Averiguar los valores de Z, I, VR, VL, VC y φ del circuito R-L-C de la figura. Dibujar el diagrama vectorial.

13. Se conectan en serie una resistencia de 100 Ω y una bobina de 100 mH a una red de C.A. de 100 v y 50 Hz. Calcular Z, I, φ, VR y VL y dibujar el diagrama vectorial.
14. Se conectan en serie una resistencia de 15 Ω y un condensador de 50 nF a una red de C.A. de 200 v y 50 Hz. Averiguar Z, I, φ, VR y VC. Dibujar el diagrama vectorial.
15. Se conectan en serie una resistencia de 100 Ω, un condensador de 100 mF y una bobina de 100 mH a un generador de C.A. de 1.000 v y 100 Hz. Averiguar: Z, I, φ, VR, VL y VC. Dibujar el diagrama vectorial. ¿Qué tipo de reactancia predomina en el circuito?
16. Las características de un motor monofásico de inducción son las siguientes: P = 5 Kw, V = 220 v, cos φ = 0,86. Determinar la intensidad, la potencia reactiva, la potencia aparente y el circuito equivalente cuando funciona a plena carga.
17. Para evitar que una lámpara incandescente de 125v/60w se funda al conectarla a una red de C.A. de 220v/50Hz, se le conecta en serie un condensador. Determinar las características de dicho condensador.
18. Tenemos un motor monofásico de 5 Kw con un factor de potencia de 0,7 a 220 v. ¿De qué características será la batería de condensadores para mejorar el factor de potencia a 0,95?

19. El alumbrado de una sala de dibujo se compone de 50 lámparas fluorescentes de 40w / 220v con un factor de potencia de 0,6. Dimensionar la batería de condensadores que será necesario conectar a la línea general que alimenta a esta instalación, para corregir el factor de potencia a 0,95. ¿Cuál será la corriente por los condensadores?
20. El motor de una lavadora automática posee las siguientes características: P = 2 CV; V = 220 v; I = 8 A. Averiguar el factor de potencia.
21. Un taller posee una potencia instalada de 40 Kw a 380 v, 50 Hz con un factor de potencia de 0,6. Averiguar las características de la batería de condensadores para conseguir aumentar este factor a 0,92.
22. Una lámpara fluorescente de 40 w, 220 v y 50 Hz posee un factor de potencia de 0,6. ¿Qué condensador habrá que conectar a la misma para que trabaje con un factor de potencia de 0,9? Para que una lámpara incandescente de 125v / 40w no se funda al conectarla a una red de380v y 50 Hz, se conecta en serie con ella una inductancia pura. Averiguar el coeficiente de autoinducción de la misma, así como el condensador que habrá que conectar con el conjunto para conseguir corregir el factor de potencia a la unidad.
23. La instalación eléctrica de una nave industrial consta de los siguientes receptores, conectados a una línea monofásica de 380 v y 50 Hz:
- 1 motor monofásico de 10 Kw, cos φ = 0,7.
- 30 lámparas incandescentes de 60 w cada una.
- 50 lámparas de vapor de mercurio de 200 w cos φ = 0,6 cada una.
Averiguar:
a. Potencia total de la instalación y factor de potencia.
b. Características de la batería de condensadores para corregir el factor de potencia hasta 0,95.
24. La instalación eléctrica de un taller electromecánico consta de los siguientes receptores, conectados a una línea eléctrica de CA de 220 v y 50 Hz:
- 5 calefactores de 1500 w cada uno.
- 3 Motores monofásicos de inducción de 5 CV, cos φ = 0,75.
- 60 lámparas fluorescentes de 40 w, cos φ= 0,6.
- 1 horno con una resistencia equivalente de 15 Ω.
- 1 electroimán con un circuito equivalente R-L igual a R = 20 Ω y L = 500 mH.
Averiguar:
a. La potencia total instalada (P, Q y S) y factor de potencia.
b. Características de la batería de condensadores para mejorar el factor de potencia a 0,98
25. La instalación eléctrica de otro taller electromecánico consta de los siguientes receptores, conectados a una línea eléctrica de CA de 220 v y 50 Hz:
- 7 lámparas incandescentes de 100 w.
- 100 lámparas fluorescentes de 40 w, cos φ= 0,9.
- 1 horno con una resistencia equivalente de 50 Ω.
- 1 Motor monofásico de inducción de 3025 w, cos φ= 0,7.
Averiguar:
a. La potencia total instalada (P, Q y S) y factor de potencia.
b. Características de la batería de condensadores para mejorar el factor de potencia a 0,99.
26.Representar en forma algebraica y en forma módulo-argumental la impedancia del circuito RC de la figura:

27.Del circuito serie RLC de la figura, averiguar la impedancia total, la intensidad, el ángulo de desfase y las potencias.
