1.5.1. Acoplamiento en serie de bobinas y resistencias


Potencia activa: Este tipo de potencia es el que se transforma en calor en la resistencia. Se puede decir que es la única potencia que realmente se consume en el circuito y por tanto, es la que debe aportar el generador al mismo. Su unidad de medida es el vatio (w).
P = V·I·cosφ
Potencia Reactiva: Es la potencia con la que se carga y descarga constantemente la bobina. Realmente es una potencia que no se consume, únicamente se intercambia entre el generador y la bobina, haciendo fluir una corriente extra por los conductores de alimentación. Su unidad de medida es el volti-amperio-reactivo (VAR.).
Q = V·I·senφ
Potencia aparente: Es la potencia total que transportan los conductores que alimentan al circuito. Dado que en un circuito R-L existe potencia activa y reactiva, por los conductores que alimentan a dicho circuito se transportan ambas potencias. Si sumamos vectorialmente estas potencias obtendremos la potencia aparente.
Se suele representar por la letra "S" y su unidad de medida el volti-amperio (VA). Para calcular la potencia aparente de cualquier circuito utilizamos la expresión:
S = V ·I
Triángulo de potencias: Al igual que hacíamos con las tensiones e impedancias, también se puede construir un triángulo que relacione las tres potencias que se dan en un circuito de C.A. Si partirnos, por ejemplo, del triángulo de impedancias y multiplicarnos a los vectores del mismo por I2 obtendremos el triángulo de potencias de la figura

Factor de potencia: Este valor nos indica la relación que existe entre la potencia activa y la aparente:
f.d.p. = cos φ = P / S
De alguna manera el factor de potencia o coseno de φ (ángulo de desfase entre V e I) nos indica la cantidad de potencia activa que existe en un circuito respecto a la potencia total aparente.
El circuito equivalente de la bobina de un contactor es una resistencia de 20 Ω en serie con una bobina pura de 50 mH de coeficiente de autoinducción. Se trata de averiguar los valores de Z, I, φ , VR y VL si aplicamos una tensión senoidal de 125 v y 50 Hz. Dibuja el circuito y el diagrama vectorial V e I
Se conectan en serie una bobina de reactancia inductiva igual a 20 Ω con una resistencia de 40 Ω a una tensión de 100 v, Averigua la potencia activa, reactiva y aparente del circuito, así como el factor de potencia. Dibuja el triángulo de potencias y valora el significado del f.d.p. obtenido.

En cuanto a las potencias que se dan en el circuito, indicar que en la resistencia se produce potencia activa que se transforma en calor. Por otro lado, en el condensador aparece una potencia reactiva provocada por las constantes cargas y descargas del mismo. Al dibujar el triángulo de potencias (ver figura) observamos que la potencia reactiva Qc queda invertida, lo que nos indica que ésta posee un valor negativo respecto a la potencia reactiva que producen la bobinas.

En la siguiente hemos conectado en serie una resistencia R, una bobina con una reactancia inductiva XL y un condensador con una reactancia capacitiva XC.
De este diagrama se obtiene el triángulo de impedancias de la Figura donde se observa que las reactancias de la bobina y condensador quedan también en oposición.
En la figura de abajo se ha dibujado el diagrama vectorial correspondiente a este circuito. Al situar en el diagrama las caídas de tensión en la bobina y condensador (VL y VC) se observa que éstas quedan en oposición, por lo que la suma vectorial de estas tensiones se convierte en una resta aritmética.

De este diagrama se obtiene el triángulo de impedancias de la figura, donde se observa que las reactancias de la bobina y condensador quedan también en oposición.
Para construir el triángulo de impedancias se ha supuesto que la reactancia inductiva XL es más grande que la reactancia XC del condensador. Al obtener la impedancia Z del circuito observamos que los efectos que pudiera provocar la reactancia del condensador quedan compensados por la reactancia de la bobina. El resultado es que el circuito se comporta como si únicamente tuviese una bobina de reactancia igual a (XL - XC), Del triángulo de impedancias se deduce que:

Al predominar. en este caso, la reactancia inductiva sobre la capacitiva, se produce un ángulo de retraso φ de la corriente respecto de la tensión. Para calcular este ángulo nos valemos del triángulo de impedancias al que aplicamos cualquiera de las funciones trigonométricas conocidas.

Las potencias se pueden calcular por las fórmulas ya conocidas. Aquí es importante observar que cuando la bobina se descarga de potencia reactiva, parte de la misma sirve para la carga del condensador. En el siguiente cuarto de ciclo, el condensador devuelve esta potencia reactiva a la bobina. Si tuviésemos que dibujar el triángulo de potencias, situaríamos la potencia reactiva del condensador QC en oposición con la de la bobina QL. De tal forma que sus efectos queden compensados, tal como se muestra a continuación

Pongamos corno ejemplo un motor monofásico de 1.000W a 220 V con un cos φ = 0,6. Estos datos nos indican que el motor desarrolla una potencia mecánica equivalente a los 1.000W de potencia activa suministrados por la red eléctrica.
Por otro lado, el factor de potencia está bastante por debajo de la unidad, lo que nos muestra la presencia de una potencia reactiva elevada causada por el efecto de la autoinducción de los bobinados. Hay que pensar que la potencia reactiva no se transforma en trabajo útil en el motor, simplemente sirve para generar el campo electromagnético, para luego ser devuelta al generador. Este trasiego de energía reactiva del generador al motor y viceversa, hace que la compañía suministradora de energía eléctrica tenga que proporcionar una potencia aparente por la red eléctrica muy superior a la que realmente se consume. En consecuencia, se produce un aumento de corriente por los conductores de la línea que repercute directamente en los costos de las instalaciones eléctricas propiedad de las compañías.
En nuestro ejemplo:
De los datos obtenidos se deduce que el motor produce un consumo de 1.000 W, pero necesita de un suministro de 1.667 VA por la línea para funcionar. Si por algún método consiguiésemos mejorar el factor de potencia hasta, por ejemplo, 0,95 obtendríamos los siguientes valores:

De lo que se deduce que al acercar el factor de potencia a la unidad obtenemos una reducción de corriente considerable, así como de la potencia aparente y reactiva. Para contrarrestar el consumo excesivo de potencia reactiva de carácter inductivo y así reducir también la potencia aparente y la corriente por la línea se instalan condensadores conectados en paralelo con los receptores, tal como se muestra en la siguiente figura.

Los condensadores compensan parte de la potencia reactiva de las bobinas. Hay que pensar que en el instante en que las bobinas descargan su energía reactiva, los condensadores se cargan con la misma. En el siguiente cuarto de ciclo, los condensadores devuelven esta energía acumulada a las bobinas para que puedan desarrollar los campos electromagnéticos. De esta forma se evita que parte de la energía reactiva de las bobinas tenga que fluir constantemente por los conductores de la línea, desde el generador hasta las mismas y viceversa. Las compañías eléctricas no facturan la energía reactiva, pero exige que los consumidores trabajen con un factor de potencia cercano a la unidad (en torno a cos φ = 0,9). Para ello disponen de equipos de medida para determinar el f.d.p. medio utilizado durante el período de facturación. Dado que la energía reactiva no se cobra, lo que se hace es aplicar un recargo en el precio de KWh consumido a los clientes que trabajen con un f.d.p. por debajo del recomendado.
En resumen, con la mejora del f.d.p. se consigue reducir la potencia aparente de la red sin modificar la potencia activa, lo que trae consigo una reducción de la intensidad de corriente por la línea de suministro de energía. Ello aporta considerables ventajas, como son: reducción de la sección de los conductores en la línea, reducción de la caída de tensión, y reducción de las pérdidas de potencia en los conductores.
Las instalaciones industriales suelen utilizar normalmente receptores de tipo inductivo, como por ejemplo, motores, lámparas de descarga (fluorescentes, vapor de mercurio, vapor de sodio, etc), transformadores, electroimanes, etc. Para compensar la energía reactiva producida por estos elementos utilizaremos un condensador (o varios) acoplados en batería, de tal forma que el coseno de φ final obtenido sea próximo a la unidad.
Para el cálculo de la potencia reactiva de estos condensadores o de su capacidad vamos a utilizar el siguiente ejemplo. Se trata de mejorar el factor de potencia de un motor monofásico de 1.000 W / 220 V con un factor de potencia de 0,6 hasta conseguir un factor de potencia de 0,95. Para ello conectamos un condensador de potencia reactiva QC y capacidad C en paralelo con el motor, tal como se muestra en la figura. La solución de este problema comienza con la búsqueda de la potencia reactiva QC, que deberá poseer el condensador para pasar de un factor de potencia de 0,6 a 0,95. Para ello nos vamos a valer del triángulo de potencias que hemos dibujado en la figura.

Llamarnos φ al ángulo que corresponde al factor de potencia inicial de 0,6 y φ' al ángulo del factor de potencia que deseamos obtener de 0,95. Q es la potencia reactiva inicial del motor, al que le tenemos que restar la potencia reactiva QC del condensador. Una vez mejorado el factor de potencia obtenemos una potencia reactiva reducida:
Q' = Q - QC , de donde QC = Q' - Q (Ecuación I)
En los dos triángulos de potencia que se obtienen se cumple que:

Calcularemos ahora la potencia reactiva que es necesario que tenga la batería de condensadores para corregir el f.d.p. de nuestro ejemplo:
El ángulo φ que le corresponde al cos 0,6 es 53º. El ángulo φ' que le corresponde al cos 0,95 es 18º.
QC = P tg φ - P tg φ ' = 1.000 · tg 53º - 1.000 · tg 18º = 1.002 VAR

Para determinar la capacidad del condensador y la corriente eléctrica que lo alimenta, tenemos en cuenta que el condensador está acoplado directamente a la red a una tensión de 220 v y con una potencia reactiva de 1.002 VAR, tal como se muestra en la figura. En este caso se cumple que la potencia reactiva del condensador es igual a:
QC = V· IC de donde: IC = QC / V = 1002 / 220 = 4.55 A
Una vez averiguada la corriente que fluye hacia el condensador, si aplicarnos la ley de Ohm para C.A. entre sus extremos, podremos averiguar la reactancia capacitiva del mismo:
IC = V / XC de donde XC = V / IC = 220 / 4.55 = 48.35 Ω
La capacidad correspondiente al condensador para una frecuencia de 50 Hz es igual a:
C = 1 / 2π·f·XC = 1 / 2π·50·48.35 = 66·10-6 F = 66 μF
En conclusión, se necesita un condensador de 66 μF a 220 V con una potencia reactiva de 1 KVAR. En el caso de no ser posible conseguir estas características con un sólo condensador, se recurre al acoplamiento de varios condensadores, dando como resultado una batería de condensadores.
Las características de una lámpara fluorescente son las siguientes: P = 40 w, V = 230 v, cos φ = 0,6. Determina la intensidad, la potencia reactiva y aparente y el circuito equivalente.
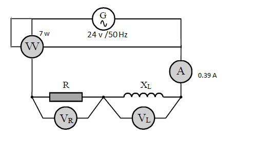
Se desea conocer los valores característicos y el circuito equivalente de la bobina de un contactor electromagnético. Para ello se realiza un ensayo en el laboratorio de Electrotecnia que consiste en alimentarla a 24 v / 50 Hz y medir la intensidad de corriente y la potencia activa. Las lecturas obtenidas en los aparatos de medida son 0.39 A y 7 w.

En el circuito de la figura se muestra un circuito R-C. Averigua la lectura de los aparatos de medid, así como la intensidad de la corriente, potencia reactiva, potencia aparente y el f.d.p. Dibuja el diagrama vectorial.

Para evitar que un pequeño soldador para circuitos impresos de 110v/100 w se funda al conectarlo a una red de C.A. de 230 v/50 Hz, se le conecta en serie un condensador. Determina las características de dicho condensador.
Se desea conectar una tira de 10 diodos LED en serie a una red de C.A. de 230 v/50 HZ. Para conseguir que funcione correctamente a los valores nominales de cada diodo de 4 v y 20 mA, se le conecta en serie de 1 KΩ y un condensador. Averigua las característica de dicho condensador.
Averigua los valores de Z, I, UR, UL, UC, P, Q, S y el f.d.p del circuito serie R-L-C de la figura. Dibuja el diagrama vectorial.

En una instalación industrial se mide un f.d.p. de 0,7. Dimensiona la batería de condensadores para mejorar el f.d.p. hasta 0,9. Los datos de dicha instalación son los siguientes: potencia instalada 15 Kw, frecuencia 50 Hz, tensión entre fases 400 v. Calcula también la corriente eléctrica por la línea antes y después de mejorar el f.d.p.
Al inspeccionar la instalación de un motor monofásico de la siguientes características: 2 Kw; 230 v; 50 Hz y con cos φ = 0.65, se observa que lleva conectado en paralelo un condensador de 100 μF. Se trata de averiguar cuál sería la mejora del factor de potencia conseguida por el mismo
Obra publicada con Licencia Creative Commons Reconocimiento Compartir igual 4.0